三片式法蘭球閥和閘閥是同屬一個類型的閥門,區別在它的關閉件是個球體,球體繞閥體中心線作旋轉來達到開啟、關閉的一種閥門。 球閥在管路中主要用來做切斷、分配和改變介質的流動方向。三片式球閥是近年來被廣泛采用的一種新型閥門。
1. 流體阻力小,其阻力系數與同長度的管段相等。
2. 結構簡單、體積小、重量輕。三片式法蘭球閥按其通道位置可分為直通式,三通式和直角式。后兩種球閥用于分配介質與改變介質的流向。
在線咨詢
購買熱線: 021-622-00727
三片式法蘭球閥的工作原理是靠旋轉閥戀來使閥門暢通或閉塞。球閥開關輕便,體積小,可以做成很大口徑,密封可靠,結構 簡單,維修方便,密封面與球面常在閉合狀態,不易被介質沖蝕,在各行業得到廣泛的應用。
三片式法蘭球閥在管路中主要用來做切斷、分配和改變介質的流動方向。球閥是被廣泛采用的一種新型閥門,它具有以下優點:
1. 流體阻力小,其阻力系數與同長度的管段相等。
2. 結構簡單、體積小、重量輕。
3. 緊密可靠,球閥的密封面材料廣泛使用塑料、密封性好,在真空系統中也已廣泛使用。
4. 操作方便,開閉迅速,從全開到全關只要旋轉90°,便于遠距離的控制。
5. 維修方便,球閥結構簡單,密封圈一般都是活動的,拆卸更換都比較方便。
6. 在全開或全閉時,球體和閥座的密封面與介質隔離,介質通過時,不會引起閥門密封面的侵蝕。
7. 適用范圍廣,通徑從小到幾毫米,大到幾米,從高真空至高壓力都可應用。 球旋轉90度時,在進、出口處應全部呈現球面,從而截斷流動。
三片式法蘭球閥是一種比較新型的球閥類別,它有著自身結構所獨有的一些優越性,如開關無摩擦,密封不易磨損,啟閉力矩小。這樣可減小所配執行器的規格。配以多回轉電動執行機構,可實現對介質的調節和嚴密切斷。廣泛適用于石油化工城市給排水等要求嚴格切斷的工況。
一、開啟過程
1在關閉位置,球體受閥桿的機械施壓作用,緊壓在閥座上。
2當逆時針轉動手輪時,閥桿則反向運動,其底部角形平面使球體脫開閥座。
3閥桿繼續提升,并與閥桿螺旋槽內的導銷相互作用,使球體開始無摩擦地旋轉。
4直至到全開位置,閥桿提升到極限位置,球體旋轉到全開位置。
二、關閉過程
1關閉時,順時針旋轉手輪,閥桿開始下降并使球體離開閥座開始旋轉。
2繼續旋轉手輪,閥桿受到嵌于其上螺旋槽內的導銷的作用,使閥桿和球體同時旋轉90°。
3 快要關閉時,球體已在與閥座無接觸的情況下旋轉了90°。
4手輪轉動的很后幾圈,閥桿底部的角形平面機械地楔向壓迫球體,使其緊密地壓在閥座上,達到完全密封。
結構特點
1、 啟閉無摩擦。這一功能完全解決了傳統閥門因密封面之間相互摩擦而影響密封的問題。
2、 上裝式結構。對裝在管道上的閥門可直接在線檢查與維修,能有效減少裝置停車,降低成本。
3、 單閥座設計。消除了閥門中腔介質因異常升壓而影響使用安全的問題。
4、 低扭矩設計。特殊結構設計的閥桿,只需配一個小手把閥門就能輕松啟閉。
5、 楔形密封結構。閥門是靠閥桿提供的機械力,將球楔壓到閥座上而密封,使閥門的密封性不受管線壓差變化的影響,在各種工況下密封性能都有可靠保證。
6、 密封面的自清潔結構。當球體傾離閥座時,管線中的流體沿球體密封面成360°均勻通過,不僅消除了高速流體對閥座局部的沖刷,也沖走了密封面上的聚積物,達到自清潔的目的。
廣東四會市江谷精細化工基地已經如二期開發建設階段。該基地位于四會中部,以高分子合成樹脂、~涂料、高性能膠黏劑等具有較含量的精細化工產業為主導,總體規劃面積10500畝,計劃分三期進行開發建設,總投資約32億元。
目前,該基地首期開發已完成基礎配套設施建設,共引進落戶企業30多家,總投資額約38.9億元,年內將實現11家企業投試產。據基地負責人介紹,已引進項目包科精工油墨、中達顏料、快事達、洛德等,主要生產活性染料、有機顏料、有機硅、樹脂等精細化工產品。項目全部投產后,將初步形成一條上下游閉合完整的精細化工產業鏈條,具備較強的同類產業競爭優勢。
上海駱盈供應的三片式法蘭球閥是一種比較新型的球閥類別,它有著自身結構所獨有的一些優越性,如開關無摩擦,密封不易磨損,啟閉力矩小。這樣可減小所配執行器的規格。配以多回轉電動執行機構,可實現對介質的調節和嚴密切斷。廣泛適用于石油化工城市給排水等要求嚴格切斷的工況。
據悉,該基地二期開發已進入~次環評公示階段。目前已引進的30個化工項目中,28個項目用地已摘牌。新春過后,來自快事達、中達兩家企業的200多名工人已進駐園區,正對設備進行試產前的很后調試。

請點擊圖片看大圖
| 部件Description Of Parts | Q41F-(16-64)C | Q41F-(16-64)P | Q41F-(16-64)R |
| 主體Body | WCB | ZG1Cr18Ni9TI CF 8 | ZG1Cr18Ni12Mo2Ti CF8M |
| 閥蓋Bonnet | WCB | ZG1Cr18Ni9TI CF 8 | ZG1Cr18Ni12Mo2Ti CF8M |
| 球體Ball | ICr18Ni9Ti 304 | 1Cr18Ni9Ti 304 | 1Cr18Ni12Mo2Ti 316 |
| 閥桿Stem | ICr18Ni9Ti 304 | 1Cr18Ni9Ti 304 | 1Cr18Ni12Mo2Ti 316 |
| 密封Sealing | 聚四氟乙烯 | ||
| 包裝Packing | 聚四氟乙烯 |
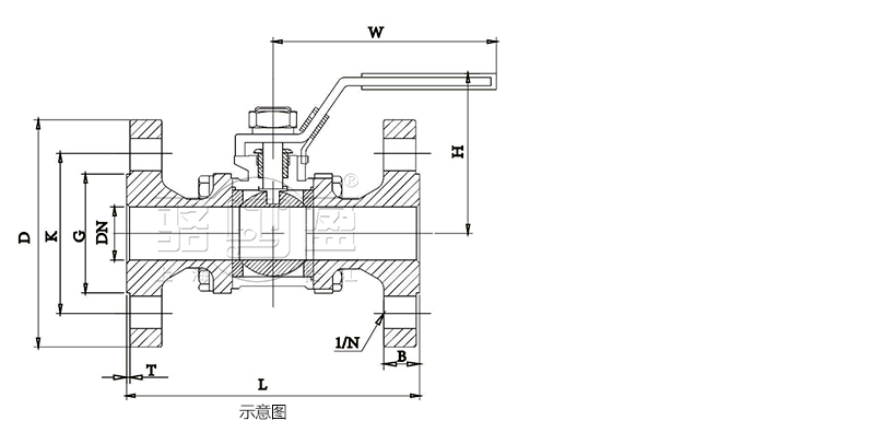
請點擊圖片看大圖
| DN | d | W | H | PN | ANSI | D | K | D1 | C | N-φ | D | K | D1 | C | N-φ | D | K | D1 | C | N-φ | |||
| L | |||||||||||||||||||||||
| 15 | 115 | 125 | 75 | 130 | 108 | PN16 | 95 | 65 | 45 | 14 | 4-14 | PN40 | 95 | 65 | 45 | 16 | 4-14 | 450Ib | 89 | 60.5 | 35 | 11 | 4-15 |
| 20 | 20 | 140 | 80 | 150 | 117 | 105 | 75 | 58 | 16 | 4-14 | 105 | 75 | 58 | 18 | 4-14 | 98 | 70 | 43 | 12 | 4-15 | |||
| 25 | 25 | 140 | 85 | 160 | 127 | 115 | 85 | 68 | 16 | 4-14 | 115 | 85 | 68 | 18 | 4-14 | 108 | 79.5 | 51 | 13 | 4-15 | |||
| 32 | 32 | 170 | 100 | 180 | 140 | 140 | 100 | 78 | 16 | 4-18 | 140 | 100 | 78 | 18 | 4-18 | 117 | 89 | 64 | 13 | 4-15 | |||
| 40 | 38 | 200 | 110 | 200 | 165 | 150 | 110 | 88 | 16 | 4-18 | 150 | 110 | 88 | 18 | 4-18 | 127 | 98.5 | 73 | 15 | 4-15 | |||
| 50 | 50 | 220 | 120 | 230 | 178 | 165 | 125 | 102 | 18 | 4-18 | 165 | 125 | 102 | 20 | 4-18 | 152 | 92 | 16 | 4-19 | ||||
| 65 | 65 | 280 | 130 | 250 290 | 190 | 185 | 145 | 122 | 18 | 4-18 | 185 | 145 | 122 | 22 | 4-18 | 178 | 105 | 118 | 4-19 | ||||
| 80 | 78 | 300 | 140 | 280 310 | 203 | 200 | 160 | 138 | 20 | 8-18 | 200 | 160 | 138 | 24 | 4-18 | 190 | 127 | 20 | 4-19 | ||||
| 100 | 100 | 340 | 160 | 320 350 | 229 | 220 | 180 | 158 | 20 | 8-18 | 235 | 190 | 162 | 24 | 4-22 | 229 | 157 | 24 | 8-19 | ||||
專業制造、專業服務,駱盈為你創造更多價值 !
不斷提升服務質量,精益求精,“真誠的服務”是駱盈永恒的主題。駱盈嚴格按照 要求,質量嚴格把關,責任到人,確保生產、銷售、服務的健康運行。加強與用戶溝通,竭誠為廣大客戶提供優質產品,至善至美服務,特此駱盈做出如下承諾:
產品標準
產品嚴格按照中國 GB、HG 標準和美國 API 等標準設計、制造、驗收。密封面硬度達到規定要求,寬度超過標準。
售前服務
產品介紹,技術交流,非標產品設計,疑難解答。
售中服務
1、守信合同,保證及時供貨,隨時保持與客戶聯系
2、對特殊或復雜的產品,我廠安排技術人員對用戶進行產品使用、故障排除、調式及維修進行培訓和指導。
售后服務
1、駱盈產品質保期為自出廠起 12 個月,實行“三包”服務(包退、包換、包修)。
2、產品在使用中我廠定期組織技術、檢查人員進行訪問,征詢用戶對產品質量、使用狀況、改進意見等方面的反饋,以便進一步提高產品質量。
3、對用戶投訴產品質量問題,快速做出反映,售后服務人員在 24-36 小時(省外 48 小時)趕赴現場。
4、對售后服務,要求用戶填寫服務后的質量反饋表,并做出鑒定意見,共同提高駱盈的產品質量與服務質量。
1、客戶采購清單請傳真至 021-64207088 E-mail:luoying@luoyingsh.com,或來電咨詢 021-62212627。
2、收到客戶采購清單,為客戶提供產品型號選型與報價(價格清單)。
3、具體商定:交貨期、特殊要求等事宜。
訂貨須知
1、客戶對產品有特殊要求,須在訂貨合同中提供以下說明:
(1)結構長度
(2)連接形式
(3)公稱直徑、全通徑、縮徑、管道尺寸
(4)用介質及溫度、壓力范圍
(5)實驗、檢驗標準及其他要求本廠可根據客戶特殊要求配置定做和設計特殊產品。
2、本廠可根據客戶特殊要求配置定做和設計特殊產品。
3、如由客戶提供確定的產品類型和型號時,客戶應正確說明其型號的含義和要求,在供需雙方理解一致的條件下簽訂合同。
您也可以聯系在線客服